Een vos verliest wel zijn haar maar niet zijn streken !

Bouw van een ARDF-ontvanger stap voor stap.

Het schema

Het schema
Auteur : PA0HRX

zaterdag 6 april 2013

Modificatie

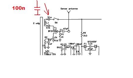
Ik heb vastgesteld dat bij lange aansluitdraden van de sense-drukknop naar de print deze de werking nadeling beïnvloeden .
Door de sens-spoel te ontkoppelen kan men het grootste gevaar bezweren .
Dit doet men door een 100 nF ( om maar iets te zeggen) langs de voedingskant van de spoel of na de sense drukknop aan te brengen naar massa . Zie klein schema bijgevoegd.



maandag 1 april 2013

Nog een tip !

Indien je zeker wilt zijn of de sense antennekring wel werkt kun je dit nagaan  op de volgende manier:

1. Verwijder de TCA440.
2. Steek in het vrijgekomen voetje op pin 1 en 2 twee draadjes waar je de scoop op aansluit.
3. Injecteer  uit de meetzender een signaaltje ( op 80 m natuurlijk) op de senseantenne.
4. Meet met de scoop het resultaat .Als je aan de trimpotmeter draait moet je de amplitude kunnen regelen.
5. Vergeet niet je sense knopje in te drukken of te overbruggen anders zal je kring niet werken !

Veel succes !